咨询热线:
0512-55136661
我们的工作时间为周一至周五8:00-17:00
华体育(中国)
公司简介
发展历程
产品中心
空压机
干燥机
储气罐
制氮机
真空泵
热回收系统
检测设备
租赁服务
售后服务
客户案例
热回收案例
节能置换
华体在线登录官网
公司新闻
行业新闻
展会信息
在线订单
联系我们
首页
产品中心
产品分类
空压机
微油螺杆式
SA04-11系列
SA15-37系列
SA45-90系列
SA220-400 系列
双级压缩机
SF15-75 系列
SF90-200 系列
SG工程专用系列
SL系列低压螺杆式空压机
SM系列
SN系列
无油螺杆式
GW无油涡卷式
SWT无油干式
水润滑压缩机
VFW无油中压
风冷往复式
HTA-100
WS
离心式
P-300 系列
P-400 系列
P-500 系列
P-600 系列
FSELLIOTT空压机
美国埃力奥特离心压缩机
特殊式
干燥机
吸干机
德马度零损耗吸附式干燥机
冷干机
ND-AC series 风冷式高温型冷冻式干燥机
ND-W series 水冷式常温型冷冻式干燥机
ND-WW series 水冷式高温型冷冻式干燥机
ND-RD series 无热再生吸附式干燥机
ND-RDH series 微热再生吸附式干燥机
ND-RDBH series 鼓风微热再生吸附式干燥机
ND-UAD/UWD series 风冷/水冷组合式低露点吸附式干燥机
ND-UAH/UEH series 风冷/水冷组合式低露点吸附式干燥机
ND-FRA/FRL/HOC series 零损耗吸附式系列
NDF series 精密过滤器
ND-HQY series 系列
组合式
风冷组合式干燥机
水冷组合式干燥机
储气罐
申江
碳钢低压储气罐
碳钢高压储气罐
不锈钢储气罐
制氮机
电缆制氮机
电缆制氮机
电子制氮机
电子制氮机1
电子制氮机2
化工制氮机
化工制氮机1
化工制氮机2
食品保鲜专用制氮机
食品保鲜专用制氮机1
食品保鲜专用制氮机2
集装箱式
集装箱式制氮机
热处理制氮机
热处理制氮机
微型箱体式
微型箱体式制氮机
微型箱体式制氮机2
微型箱体式制氮机3
微型箱体式制氮机4
橡胶制氮机
橡胶制氮机
橡胶制氮机2
医药制氮机
医药制氮机
露点仪
S 220 露点传感器 (-100 °C ... 0 °C)
S 212 露点传感器 (-50 °C ... +20 °C)
S 215 露点传感器 (-20 °C ... +50 °C)
S 201 带显示和报警功能的露点传感器 (-60 °C ... +20 °C)
S 305 露点监控仪 (-20 °C ... +50 °C)
S 505 手持式露点仪 (-100 °C ... +20 °C)
真空泵
热回收系统
检测设备
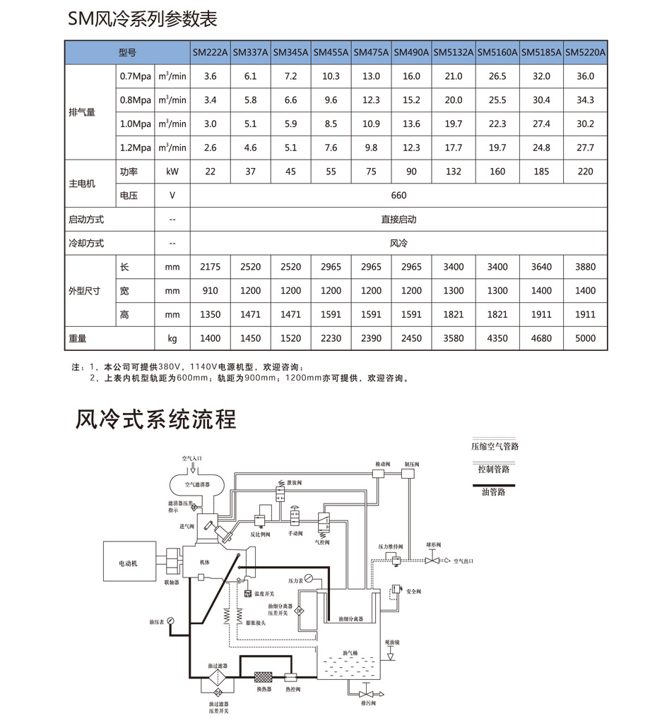
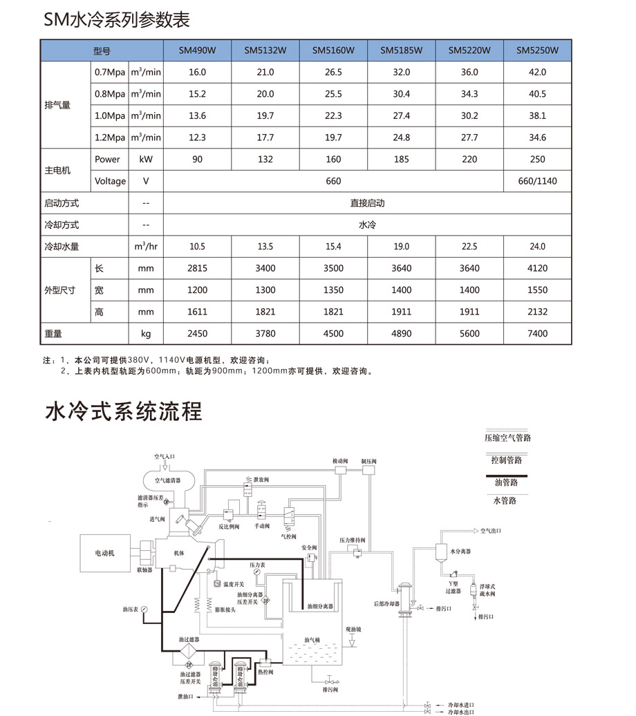
SM系列
发布时间:2017-2-7 12:39:51
产品介绍
产品参数
首页
华体育(中国)
公司简介
发展历程
产品中心
空压机
干燥机
储气罐
制氮机
真空泵
热回收系统
检测设备
租赁服务
售后服务
客户案例
热回收案例
节能置换
华体在线登录官网
公司新闻
行业新闻
展会信息
在线订单
联系我们
ob电子官网
|
华球在线
|
千亿平台登录入口
|
华体在线登录官网
|
od在线注册
|
华会体育官网
|
新宝登录首页
|
ob官方网站
|